The high head slurry pump ZH is a cantilevered, horizontal, centrifugal slurry pump, which is specifically designed to combat the need to run conventional to generate high heads often required in many modern slurry pumping application single pump unit rather than series pumping can be adopted, at greatly reduced capital cost, while the Wear-Resistant Slurry Pump and High Head still offering optimum wear life and efficiency.
High Head Slurry Pump Range:
Parameter
| Caliber (inch) | 1"-6" |
| Maximum flow quantity | 1152m³/h |
| Maximum head | 98m |
| Speed | 450-2200r/min |
| Power | 30-1200kw |
High Head Slurry Pump Typical Application:
(1) Mill Discharge
(2) Coarse Sand
(3) Tailings
(4) Mineral Concentration
(5) Heavy Media
(6) Coal Washing
(7) Phosphoric Acid
(8) Process Chemical
(9) Bottom/Fly Ash
(10) Metal Smelting
High Head Slurry Pump Features
1. The double-sleeve design of our single-suction High Head Electric slurry pump allows for axial splitting. Made of ductile iron, the pump casing is able to withstand the main pressure generated in the pump chamber. The lining is made of wear-resistant material and does not stick to the outer casing for easy maintenance and replacement.
2. The High Head Electric slurry pump body is fixed to the mount by a plurality of bolts. The user can easily adjust the gap between the impeller and the suction pad from below the housing.
3. Packing gland seals, mechanical seals and drain seals prevent mud leakage during pumping.
4. The compact construction allows the pump to occupy a small footprint.
Hydraulic Modeling
The wet end piece can be cast from hard metal. They maintain good hydraulic performance even when the pump is heavily worn. This helps the Filter Press Feed Slurry Pump achieve optimum pumping efficiency levels for extended periods of time. The large diameter impeller design, combined with the narrow flow path, ensures that the slurry can be pumped to a higher than normal height.
Shaft Seals
Packing Seal
As one of the most commonly used seals for rotating shafts, the gland seals can be placed in a low or full flush arrangement that uses flushing water to prevent media from escaping from the pump casing. This seal is suitable for almost all pumping applications. In the case of corrosive solids or high temperatures, polytetrafluoroethylene or aramid fibers are used as the sealing material. In order to further improve the wear resistance of the shaft, ceramic coated bushings will be used.
Centrifugal Seal-Expeller
The combination of impeller and ejector creates a seal that prevents leakage. This seal, together with the seal or lip seal used as a closure seal, can handle the sealing requirements of applications where full flush seals are not possible due to lack of water on site, or allow seal water to enter the pump chamber to dilute the slurry.
Mechanical Seal
The ZH series high head centrifugal slurry pump adopts leakproof mechanical seal design, which is convenient for installation and replacement. Other types of mechanical seals are the choice of centrifugal pumps suitable for a variety of pumping applications.
We also use special ceramics and alloys for friction on high strength and hardness parts. The unique design and seamless fit between the mechanical seal and the sealed cavity provide excellent wear and impact properties, ensuring its effectiveness under the toughest conditions.
ZH clear water performance table

Among them
For high density, strong abrasive slurry, the flow range is 40~80%;
For medium density, medium abrasive slurry, the flow range is 40~100%;
For low density, low abrasive slurry, the flow range is 40~120%.
For details, please refer to the bottom clear water performance table.
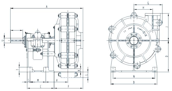
Outline drawing

